Home » Schema Variateur De Vitesse Moteur Asynchrone Triphase Pdf » Schema Variateur De Vitesse Moteur Asynchrone Triphase Pdf
Schema Variateur De Vitesse Moteur Asynchrone Triphase Pdf
Systemes dentrainement alternateurs regulateurs moteurs electriques motoreducteurs variation electronique de vitesse stages de formation.

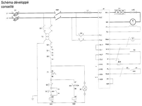
Schema variateur de vitesse moteur asynchrone triphase pdf. Je vais vous montrer un depart moteur asynchrone triphase avec lutilisation du disjoncteur moteur magnetothermique dans le circuit puissance. 4 variateurs de frequence type ip20 de 01 a 4 kw v1000 carte optionnelle dimensions classe de tension puissance moteur max. Applicable kw modele de variateur. Bonjour boby au vu de tes reponses je pense que tu nas pas saisi toute la subtilite.
Parlons dun moteur triphase. Sa plaque mentionne les tensions. Moteur triphase utilisable en 50 hz et 60 hz plaque etablie conformement a la norme internationale iec34 classement ip indice de protection.
































