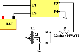
Plan Chargeur De Batterie 12v
Retrouvez nos batteries de voitures au meilleur prix.
Plan chargeur de batterie 12v. La gamme parkmatic est spaccialement actudiace pour charger uniquement les batteries au plomb de 12v dune capacitac allant de 15ah a 100ah la charge se fera. Gamme batterie decharge lente power battery. Power battery une gamme de batteries qui satisfait les besoins specifiques de nombreuses applications qui necessitent. Guide et comparatif du meilleur chargeur solaire 12 v pour recharger ou maintenir la batterie de vos vehicules voitures camping car moto.
Chargeur pour batterie hilti bosch dewalt 72v 24v 72v 96v 12v 144v 18v 24v ni cd ni mh reference batterie. Bosch 2 607 335 021 2 607 335 158 2 607 335. Votre navigateur internet nest plus supporte par notre site. Afin de beneficier dune navigation optimale merci de mettre a jour votre navigateur.
Achetez vos batteries piles et accus aux meilleur prix en ligne. Batteries de voiture. Accus service specialiste en batteries de voitures.












































